Механізм замка CISA 56765 двосистемний Revolution Pro (BS64*85мм) 56785 взаємозал.з блок. без планки
7 872 грн.
- Артикул: 998003
- Виробники CISA
- Модель: CISA 56765 Revolution Pro
- Наявність: Є в наявності
Виберіть категорію
7 872 грн.
CISA 56515 Revolution Pro – це високозахищений врізний замок італійського виробництва, призначений для встановлення у важкі металеві та броньовані вхідні двері вагою понад 200 кг. Модель поєднує підвищену механічну міцність та інноваційну систему захисту від злому.
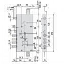
Замок є аналогом CISA 56535, але постачається без торцевої планки. Оснащений чотирма сталевими ригелями діаметром 18 мм із виходом 38 мм, що забезпечує надійне багатоточкове замикання та високу стійкість до силового впливу.
Головною особливістю серії Revolution Pro є система автоматичного блокування механізму при спробі виривання або зламу циліндра. Після повного закривання на три оберти ключа замок активує захисний механізм, який блокує рух ригелів, значно ускладнюючи несанкціоноване проникнення.
Конструкція оснащена редукторним механізмом, який забезпечує плавну та тиху роботу, зменшує знос деталей і підвищує ресурс служби. Реверсивний язичок дозволяє встановлювати замок як на ліві, так і на праві двері без додаткових змін у конструкції.
Модель працює з циліндром стандарту EURO DIN (не входить у комплект). Передбачено можливість підключення тягових штоків для багатоточкового замикання та встановлення додаткових систем захисту.
Замок сертифікований за стандартом EN 12209:03 (ICIM 0059CS), витримує до 200 000 циклів відкривання/закривання та має високу корозійну стійкість (до 240 годин випробувань). Відповідає 6-му рівню захисту: витримує навантаження до 1000 кг при бічному впливі та 600 кг при поштовху знизу.
Рекомендується для об’єктів із підвищеними вимогами до безпеки: житлові комплекси, комерційні приміщення, офіси та об’єкти з інтенсивним використанням дверей.
Комплектація:
| Загальні данні | |
| Тип товару | Врізний замок |
| Виробник | CISA |
| Матеріал дверей | для металевих дверей |
| Призначення | для вхідних дверей |
| Країна виробник | Італія |
| Спосіб монтажу | врізний |
| Місце монтажу | нижній (основний) |
| Спосіб фіксації | язичок |
| Механізм закривання | серцевиною + серцевиною |
| Міжосьова відстань | 85 мм |
| Бексет (Дорнмасс) | 64 мм |
| Комплектність замка | тільки механізм |
| Гарантія | 5 років |
