Електромеханічний замок CISA 15515 (BS64*85мм) 15535 без торцевої планки
11 468 грн.
- Артикул: 380527
- Виробники CISA
- Модель: CISA 15515
- Наявність: Є в наявності
Виберіть категорію
11 468 грн.
Електромеханічний замок CISA 15515 — це надійне рішення для вхідних металевих і броньованих дверей з підвищеним рівнем безпеки. Модель розрахована на інтенсивну експлуатацію та сумісна із системами контролю доступу.
Замок є аналогом CISA 15535, але постачається без торцевої планки, що дозволяє гнучко підбирати комплектацію під монтаж.
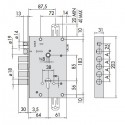
| Тип | Електромеханічний замок |
| Монтаж | Врізний |
| Матеріал | Оцинкована та нікельована сталь |
| Клас безпеки | 4 клас |
| Бексет | 64 мм |
| Міжосьова відстань | 85 мм |
| Ригелі | 4 ригелі Ø18 мм + язичок |
| Вихід ригелів | 30 мм |
| Живлення | 12V AC/DC |
| Споживання струму | 3,1 А |
| Імпульс | До 1 секунди |
| Ресурс | 200 000 циклів |
| Навантаження | До 600 кг фронт / до 1000 кг бокове |
| Сторонність | Універсальна |
| Виробник | CISA (Італія) |
Для стабільної роботи замка важливо забезпечити точне вирівнювання ригелів і використовувати якісний циліндр. Монтаж рекомендується виконувати кваліфікованим майстром.
Чим відрізняється від CISA 15535?
Модель 15515 постачається без торцевої планки.
Чи підходить для броньованих дверей?
Так, для важких металевих і броньованих дверей.
Чи працює без живлення?
Так, у замкненому стані (НЗ).
| Загальні данні | |
| Тип товару | Електромеханічний замок антипаніка |
| Виробник | CISA |
| Країна виробник | Італія |
| Спосіб монтажу | врізний |
| Живлення | 12V AC/DC |
| Стан без подачі живлення | замкнений |
| Міжосьова відстань | 85 мм |
| Бексет (Дорнмасс) | 64 мм |
| Модель електрозамка | CISA 15.515 |
| Гарантія | 2 роки |
